為了顯示材料的真實顯微組織,準確的觀察、辨別、記錄和測量,正確的試樣制備過程是必不可少的。試樣的制備質量是決定檢測結果的關鍵因素,猶如那句經典的計算機諺語所說:“如果輸入的是垃圾,那么輸出的也是垃圾”。
標樂是全球材料制備和分析領域的開創者。作為您的合作伙伴,我們不僅提供齊全的設備和耗材,更有強大的團隊為您提供需要的應用知識、技術支持和服務。今天我們為大家帶來的是陶瓷金相制備的經驗分享:
陶瓷材料
陶瓷材料特別硬和脆,可能含有孔洞,用金剛石切割片切割。如果試樣需要熱腐蝕,那么試樣鑲嵌時就要考慮樣品還要從樹脂中取出,此時環氧樹脂真空填充孔洞可以不考慮。由于陶瓷自身的特點,不需要考慮變形和塑性流變的問題,但制備過程中可能會產生裂紋晶粒破裂的問題。

???
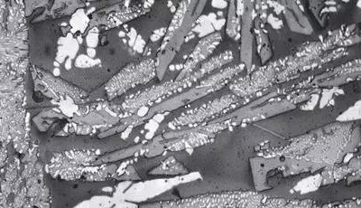
熱壓氮化硅組織 (不知名的黏結劑)?(未腐蝕,500X )
脫落是陶瓷制備的主要問題,因為通常會把脫落當成孔洞。研磨方法采用金屬黏結金剛石盤,硬研磨盤或硬拋光布的機械制備方法。SiC砂紙對陶瓷材料幾乎無效,因為兩者幾乎一樣硬。因此在所有的制備步驟中,幾乎全部使用金剛石。陶瓷材料制備時的載荷比較高,經常超過手工制備的載荷。本篇文章中列出了兩種常用的陶瓷制備程序。
MasterPolish 2 懸浮液用于陶瓷制備步驟,獲得的表面光潔度要高于1μm的金剛石拋光
。
實用小貼士
使用切割片,在盡可能靠近需要制備、需要檢查的平面處進行切割,這樣除了把可能的損傷量降低,還能為隨后制備提供很好的表面。粗磨相當慢,應盡量想辦法避免組織結構的損傷。
制備時候可能需要粗的研磨劑。然而,粗的研磨劑可能導致嚴重的晶粒脫落,因此在研磨過程中,盡量使用細的研磨劑以減少晶粒脫落現象。
難熔材料組織:鋁(基體),氧化鋯(灰色),硅(白色) (未腐蝕,200x)
Si-SiC 陶瓷?百分之10草酸電解腐蝕(500X)
標樂 | BUEHLER
Strong Partner, Reliable Solutions
【來源:標樂試樣秀】